
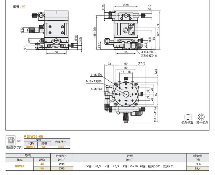
DIWO1手動位移滑臺采用回轉交叉滾柱導軌結構,配合千分尺精密進給機構,實現高精度旋轉與直線復合調節。其獨特設計兼具徑向承載與角度微調能力,分辨率達0.002mm,適用于光學對準、精密儀器校準等需多自由度微調的場合。主體為硬質陽極氧化鋁合金,兼顧輕量化與耐磨性。

一、產品特點
(1)復合導向:回轉交叉滾柱軸承,同時支持旋轉+直線運動
(2)超微精度:千分尺進給,最小刻度0.01mm(可選0.002mm高分辨率型號)
(3)零間隙:預緊式滾柱結構消除回程誤差
(4)工業級設計:防塵密封槽,可選不銹鋼材質(耐腐蝕環境)


二、性能參數


