二位五通電磁閥通常與雙作用氣動執行機構一起使用。閥體有五個氣口,其中一個接氣源,兩個接執行機構雙作用氣缸,兩個接排氣口。雙作用氣動執行器是指氣缸活塞的兩側都需要氣壓來推動活塞。當活塞一側有壓力而另一側沒有壓力時,活塞會向壓力低的一側移動,氣缸就會產生一個方向的推力。當有氣壓的活塞一側的壓力消失時,沒有壓力的另一側的壓力加在氣源壓力上,活塞向后移動,氣缸產生回推力。通過反復切換活塞兩端的氣壓,氣缸產生往復運動。雙作用氣缸是不正常的,所以在沒有壓縮空氣的情況下它的位置是不確定的。
普通的電磁閥和氣缸怎么連接?
一種是(閥+線圈)的形式的。在這種閥上可以找到3根針。使用一個和這3根針對應的線包。給線包接上線。然后把線包連接到這3根針上即可。另一種是(閥)。這種閥上有一個粗一些的稈子。使用一個和這個稈子對應的線圈。把線圈插到這個稈子上。再固定好即可。有的線圈是自帶導線的。還有一些是自帶線包的。如果是線包的。那線包和第一種閥的使用方式一樣。需要你另配電線。
為雙作用氣缸2位5通單電磁閥:
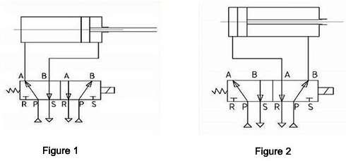
1.初始狀態
的電磁閥被斷開與功率和端口P和的電磁閥相連。氣源通過A口進入氣動活塞驅動部分的左腔,活塞停在右側。B口與S口相連,與B口相連的氣動活塞驅動部分的右腔為排氣狀態。參見下面的圖1。
2.工作狀態
電磁閥接通電源。電磁閥A口和B口相連。氣源通過B口進入雙作用氣動活塞驅動部分的右腔,活塞向左側移動。端口A和端口R相連。與R口相連的氣動活塞驅動部分左腔為排氣狀態。參見下面的圖2。
3、斷電狀態
電磁閥恢復到初始狀態。

雙作用氣缸用2位5通雙電磁閥:
左側線圈通電時,電磁閥P口和A口相連。氣源通過A口進入雙作用氣動活塞驅動部分一側的腔室,使活塞移動到氣缸的另一側。端口B和端口S相連。與B口相連的氣動活塞驅動部分另一側的腔室處于排氣狀態。
當右側線圈通電時,電磁閥P口和B口相連。氣源通過B口進入雙作用氣動活塞驅動部分一側的腔室,使活塞移動到氣缸的另一側。端口A和端口R相連。與A口相連的氣動活塞驅動部分一側的腔室處于排氣狀態。另一側斷電的線圈保持當前狀態不變。參見下圖。


