在數字電子產品中,計數器是由一系列觸發器組成的時序邏輯電路。顧名思義,計數器用于計算輸入在負或正邊沿轉換中出現的次數。根據觸發觸發器的方式,計數器可以分為兩類:同步計數器和異步計數器。了解這兩種計數器的工作原理以及它們之間的區別。

一、什么是同步計數器?
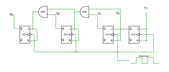
如果時鐘脈沖同時施加到計數器中的所有觸發器,則這種計數器稱為同步計數器。
在同步計數器中,所有構成的觸發器同時使用相同的時鐘輸入進行計時。這些也稱為并行計數器。
基本上,同步計數器中的所有觸發器都以級聯方式排列,每個觸發器都單獨連接到一個外部時鐘。它允許使用相同的時鐘輸入同時為所有觸發器提供時鐘。這意味著每個觸發器的輸出與時鐘輸入同步變化。
因此,公共時鐘信號會同時導致每個單獨觸發器的狀態發生變化。結果它不會導致紋波效應,因此在同步計數器中沒有傳播延遲。
邏輯門在同步計數器中用于控制計數序列。
二、什么是異步計數器?
異步計數器也稱為串行計數器,因為構成計數器的觸發器是串聯連接的,輸入時鐘脈沖提供給連接中的第一個觸發器。
第一個觸發器的輸出充當正向下一個相鄰觸發器的輸入。以這種方式,時鐘輸入通過計數器波動。因此,這些計數器也被稱為紋波計數器。
由于紋波效應,異步計數器中的定時信號在通過每個觸發器時會延遲一定量。因此,它會導致傳播延遲。
三、同步計數器和異步計數器之間的主要區別
扳機:(1)在同步計數器的情況下,所有組成的觸發器同時用相同的時鐘觸發。(2)在異步計數器的情況下,會觸發具有不同時鐘的不同觸發器。
運算速度:(1)與異步計數器相比,同步計數器的運算速度更快。(2)異步計數器的運算速度比同步計數器慢。
容易出錯:(1)同步計數器不易出錯;它們幾乎不會產生任何解碼錯誤,因為每個觸發器都是單獨計時的。(2)異步計數器更容易出錯并在系統中產生解碼錯誤。
復雜性:(1)同步計數器中的所有觸發器都與時鐘協調,因此與異步計數器相比,其設計和實現復雜。(2)在異步計數器中,一個觸發器的輸出作為下一個觸發器的輸入,因此其設計和實現非常簡單。
順序:(1)同步計數器可以在任何所需的計數序列中運行,因為它可以通過更改時鐘序列來進行操作。(2)異步計數器只能以固定的計數順序運行,即UP和DOWN。
延遲:(1)在同步計數器的情況下沒有觀察到傳播延遲。(2)在異步計數器的情況下,從一個觸發器到另一個觸發器存在后續傳播延遲。
同步計數器中的所有觸發器都使用相同的時鐘輸入同時計時。相反,異步計數器的組成觸發器在不同的時刻用不同的輸入信號計時。

