槽型光電傳感器型號:GL5-T/28A/115
·光電槽型傳感器
·帶固定電纜
槽型光電傳感器GL5-T/28A/115描述:
槽型光電傳感器GL5 小型光電槽型傳感器體積小巧,光學性能出眾。滿足半導體工業微型物體的檢測需求。在同類產品中具有 DC 5 - 24 V 的寬電壓范圍和 高達 5 kHz 的最快開關頻率。內部集成的聚焦孔使傳感器能檢測尺寸為0.8 x 1.8 mm的微型物體。傳感器提供 NPN 或者 PNP 輸出。多樣且優化的外殼使傳感器最大程度地適用于擁擠環境中。
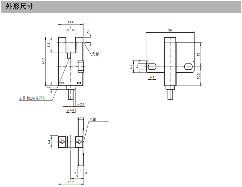
槽型光電傳感器GL5-T/28A/115外形尺寸:

槽型光電傳感器GL5-T/28A/115連接方式:

一般說明功能參數:
光源類型:連續式紅外光, 940 nm
光源特性:紅色激光
認證:CE, cULus Listed 57M3 (Only in association with UL Class 2 power supply; Type 1 enclosure)
障礙物尺寸:0,8 x 1,8 mm
槽寬:5 mm
極限環境光強:1000 Lux
槽型光電傳感器GL5-T/28A/115輸出頻率:
開關類型:亮 / 暗通可調
信號輸出:2 npn 互補型輸出,過電壓保護
負載電壓:最大 30 V DC
負載電流:最大 50 mA
電壓降:Ud 10 mA 時最大 0.2 V, 50mA 時最大 0.6 V
開關頻率:f 最大 5 kHz
響應時間:光束沒遮擋時 40 μs
光束有被遮擋時:80 us
重復精度:0.03mm
槽型光電傳感器GL5-T/28A/115應用領域:
GL5 適用于半導體和電子工業應用環境
典型應用包括 :
1. 導線檢測
2. 凸輪位置檢測
3. 移動物體的極限位置檢測
4. 膠片檢測

