色標傳感器DK20-9,5/110/124(色標傳感器和顏色傳感器)
| 【產品功能描述】 | |
| 色標傳感器DK20-9,5/110/124是一種“光電傳感器”,它從發射器發出光,然后用接收器檢測從檢測對象反射回來的光。色標傳感器可以分別檢測接收到的紅色、藍色和綠色的光強度,從而可以確定目標物體的顏色。 | ||
| 【附件產品】 | ||
·直角安裝套件:OMH-DK ·扁平安裝套件:OMH-DK-1 | ||
產品·特點
——色標傳感器DK20-9,5/110/124產品特性——
●漫反射型光電傳感器,用于記錄任何色標 ●靜態TEACH-IN:自動開關閥值設置 ●30μs響應時間,適合極快速的掃描過程 ●發射器3色光源:綠、紅、藍 ●強大的推挽輸出 ●光學系統可轉換90o ●堅固的防水塑料外殼 | ![]() |
產品·規格參數
——色標傳感器DK20-9,5/110/124產品規格——
通用規格——
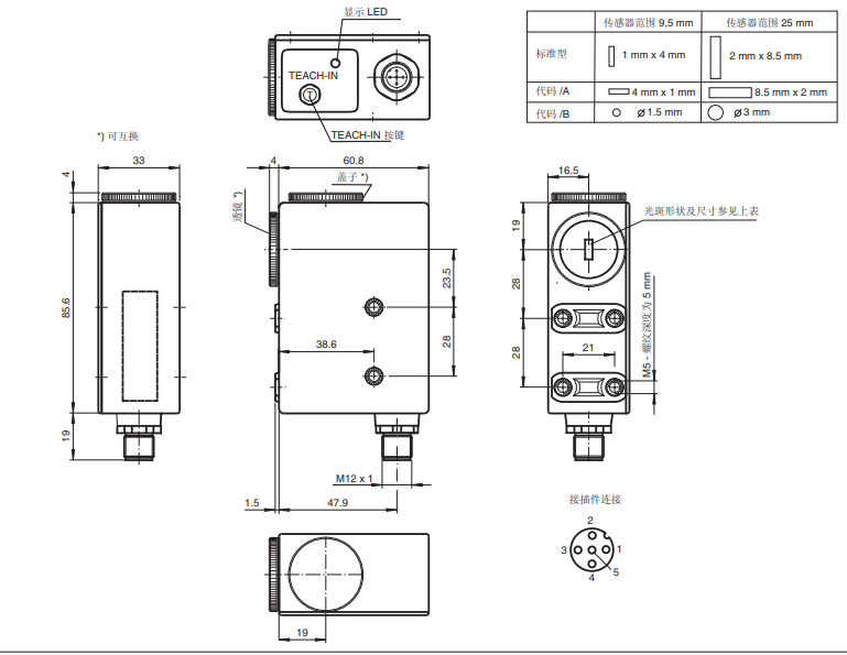
·安裝范圍:9.5mm+/-3mm
·光源類型:LED
·光斑直徑:1mmx4mm
·偏差角:max.±3o
·認證:CE
·光源特性:可見綠光/紅光/藍光,調制光
·TEACH-IN:靜態TEACH-IN
電氣參數——
·工作電壓:10...30VDC
·紋波:10%
·空載電流I0:≤70mA
工作方式/顯示方式——
·功能顯示:黃色LED;開關操作:檢測到色標即點亮;TEACH-IN操作:LED慢閃;報警顯示:如存在誤操作,則LED快閃
·調節元件:TEACH-IN按鍵
輸出——
·開關類型:亮/暗通可選,由TEACH-IN的順序決定
·信號輸出:推挽輸出,短路保護,反極性保護
·負載電壓:PNP:≥(+UB-2.5V),NPN:≤1.5V
·負載電流:最大.200mA
·開關頻率f:16.5KHz
·響應時間:30us
周圍環境——
·工作溫度:-20...60oC(253...333K)
·儲藏溫度:-20...75oC(253...348K)




